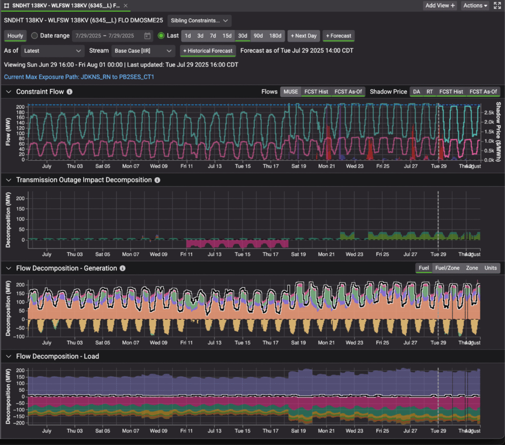
In the dynamic world of power markets, accurately forecasting transmission constraints is critical for traders and asset managers to make informed decisions. A prime example of this is the Bell County-Sallisaw constraint, which often binds during periods of high South Central load, particularly in the summer. Recently, planned line work on the 1715_B_LN shifted power flows from the Bell County-Sallisaw element to the SEA Transformer, significantly altering congestion patterns.
Enverus Short-Term P&R Forecast demonstrated its precision in power market forecasting by accurately capturing the impact of this high-impact transmission outage, as evidenced by the alignment of forecasted and actual shadow prices in historical data charts. The clear visibility of outage start and end times in the flow and shadow price data underscores the actionable insights provided by our solution.


High-impact transmission work, like the 1715_B_LN outage, is relatively rare in the summer, making accurate forecasting of such events particularly valuable. The ability to anticipate and respond to these shifts in congestion patterns empowers market participants to optimize their strategies and mitigate risks effectively.
Ready to Discover Faster Identification of Grid Opportunities and Risks?

Experience our short-term grid analytics and forecasting solution in Mosaic and see how you can find grid opportunities and risks faster to take more profitable positions.
How Short-Term P&R Forecast Masters Grid Constraint Predictions
A Peek Under the Hood: A Physics-Based Engine
At the heart of our Short-Term P&R Forecast lies a sophisticated physics-based engine that solves a complex mixed-integer optimization problem to simulate power grid operations. The engine’s objective is to select the combination of generators that meets demand at the lowest total cost, while adhering to critical constraints:
- Energy balance: Total generation must equal total load across the grid.
- Transmission limits: Power flow through any line cannot exceed its rated capacity.
- Unit operating rules: Power plants must comply with operational constraints, such as minimum run times, ramp rates, start-up costs, maximum capacity and minimum load.
- Ancillary service requirements: The system must meet needs for regulation up, regulation down, non-spinning reserves and other reliability services.
If the engine cannot perfectly satisfy all constraints—such as a line overloading after a contingency—it allows rule “bending” with a steep penalty in the objective function. This economic pressure ensures the model finds the least-cost trade-off while respecting physics and reliability.
The locational marginal price (LMP) is a key output of this optimization, serving as the “receipt” for the most expensive megawatt needed to keep the grid stable. The LMP comprises three components:
- Energy cost: The cost of producing one additional megawatt from the next available plant.
- Congestion cost: The added expense when a megawatt causes crowding on transmission lines, based on line usage.
- Loss cost: The cost of energy lost as heat during transmission, requiring additional power to compensate.
This physics-driven approach enabled our forecast to accurately predict the flow shifts and price impacts of the 1715_B_LN outage on the Bell County-Sallisaw constraint.
Powered by High-Quality Data
The accuracy of our Short-Term P&R Forecast hinges on robust, real-time data tailored to PJM’s market. We integrate a comprehensive set of data sources to ensure our predictions reflect actual grid conditions:
- Hourly demand forecasts: Precise predictions of electricity demand across PJM’s region.
- Wind and solar outlooks: Detailed forecasts for renewable energy production at individual plants.
- Transmission network updates: Real-time data on grid structure, including outages like the 1715_B_LN line work.
- Generator operating status: Current performance data for power plants, powered by our engine.
- Ancillary service needs: Up-to-date requirements for reserves and reliability services, such as regulation and spinning reserves.
These data streams feed into Mosaic, our real-time power grid platform, providing traders with user-friendly tools like constraint-flow charts, generation versus demand breakdowns, and clear price trend visuals. These tools, as demonstrated in our congestion forecasts, empower users to make informed decisions with confidence.

Real-World Impact
The precision of the Short-Term P&R Forecast power market forecasting in capturing the 1715_B_LN outage’s impact underscores its value in real-world applications. By delivering reliable, transparent and timely insights, our solution enables power market participants to navigate complex grid dynamics, optimize trading strategies, and seize opportunities arising from transmission constraints. Whether addressing routine summer constraints or rare high-impact outages, the Enverus Short-Term P&R Forecast is a trusted solution for driving success in the power market.
Are You Ready for Outage Season?
As outage season looms, managing your power assets grows increasingly complex. With rising renewable generation and frequent transmission outages fueling congestion risks and market volatility, are you ready to optimize your portfolio with confidence?
Join our 45-minute webinar, “Managing Power Assets During Outage Season,” to learn actionable strategies for tackling these challenges using Enverus Power and Renewables Short-Term P&R Forecast and other short-term power analytics and forecasting solutions in our Mosaic platform.
About Enverus Power and Renewables
With a 15-year head start in renewables and grid intelligence, real-time grid optimization to the node and unparalleled expertise in load forecasting that has outperformed the ISO forecasts, Enverus Power and Renewables is uniquely positioned to support all power insight needs and data-driven decision making. More than 6,000 businesses, including 1,000+ in electric power markets, rely on our solutions daily.
www.enverus.com (Article Sourced Website)
#Enverus #ShortTerm #Power #Market #Forecasting
